
Teachers: Nihad AGHBALOU, Amine BENDARMA, Mehdi CHERIF, Oussama JAIDER, Gilles REGNIER
Rabat
2025-2026
16608
2nd semestre
Dans le paysage concurrentiel et dynamique d'aujourd'hui, l'amélioration continue est cruciale pour la prospérité des entreprises. L'optimisation de la fabrication englobe une série de stratégies et de techniques visant à améliorer les process de fabrication et à maximiser l'efficacité. En mettant en œuvre des mesures d'optimisation efficaces, les fabricants peuvent réaliser des gains significatifs en termes de productivité, de réduction des coûts et de contrôle de la qualité
Ce cours a pour objectif de donner à l’étudiant les connaissances nécessaires afin de:
- Savoir mettre en oeuvre les polymères, notamment le moulage par presse à injection plastique
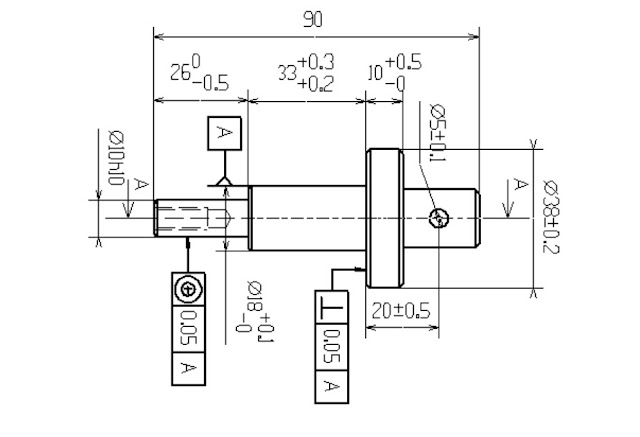
- Maitriser la GPS et les moyens de controls (métrologie)
- Réaliser les gammes de fabrication
- Simuler l'usinage à l'aide d'un outil de simulation (FAO, simulateur VPS: ex Haas Next Generation Control (NGC) simulator...)
- Réaliser la modélisation des gammes de fabrication
- Maitriser l'application des plans d'expérience dans le domaine de la fabrication
- Connaissances acquises en UEI REPI et RESI
- Connaissances acquises en UEF MATI
A l’issue de l’UE, l’étudiant sera capable de :
Construire et optimiser le processus de fabrication d’un produit manufacturé, en particulier:
- Réaliser la modélisation des gammes de fabrication
- Mettre en oeuvre et instrumenter un système de fabrication pour identifier les sensibilités des paramètres fabrication sur les
produits et les matériaux par interprétation physique avancée - Modéliser des procédés et les comportements matériaux en vue de leur simulation et optimisation (chaînage multi-procédés,
corrélation simulation-essais) - Identifier et exploiter les moyens de contrôle (ex: métrologie)
- Choisir une gamme d'usinage dans un compromis technique-économique-environnement
- Gammes d'usinage
- Mesures physiques en procédés
- Moyens de contrôle des défauts de fabrication
- Modélisation numérique des procédés
- Optimisation et aide à la décision multicritère
- Cours magistral
- Travaux dirigés
- Travaux pratiques
- Evaluations écrites/orales
- Comptes-rendus des TP
- Test final